ブローバイホースにオリフィスの取付
- 2019/11/15 10:49
- カテゴリー:オイルキャッチタンク/ブローバイ関連
ブローバイホースにオリフィスの取付
先日ネットの記事を見ていたら日産系のRB26などのエンジンで採用されているクローズド方式のブローバイガス還元装置のブローバイホース内部にゴムホースの中にオリフィスが取り付けられている記事を見かけました。
メーカーがどのような目的にでオリフィスのブローバイホースに埋め込んだのかは定かではありませんが、考えられる理由としてはブローバイガスに含まれるオイル成分をオリフィスで抑えてエアフロやエアフィルタを汚さないようにする為か、またはブローバイガスの抜けを鈍くする為のどちらかではないかと思います。
BMWのM52/54系のブローバイガス還元装置は昔ながらのシールド方式で、最近のエンジンに採用されているクローズド方式と比較するとブローバイガスを負圧で抜く単純な仕組みです。
自分の車の場合、過給機を取り付けているのでブローバイガスを負圧で吸い込むだけではなく、加給圧がかかったときにブローバイガスを吸い込むようにブローバイガスの経路を追加してあります。
追加したブローバイガスの経路は加給圧がかかった時は、スーパーチャージャーの手前(エアフィルタの後)につないで吸い込ませていますが、オイルキャッチタンクを装備していてもエアフィルタ洗浄時にブローバイガスのオイル成分が付着しているので、自分も追加したブローバイホースの内部にオリフィスを組み込んでみることしました。
オリフィスの追加場所は上記の図の赤丸が付いたホース内部。自分で追加したPCVバルブ経路の方はPCVバルブ本体がオリフィスの役目を担っているので、オイルキャッチタンクからスーパーチャージャーのサクションパイプに向けた経路にとりあえずオリフィスを追加してみることにしました。
ホース径に合わせたオリフィスを探す
オリフィスと言っても使用しているホース径に合わせて「内径をどのぐらいにしたらよいか?」、ほとんど感です。(苦笑)本来は内径の異なるオリフィスを何個が用意してテストしてみるのが良いかと思いますが、使用しているホースの内径が12.5mmなので半分以下になるようなオリフィスになる代用品を探してみることにしました。
しかしながら色々と調べてみたのですが、なかなか良いサイズの物が見つからず...。オリフィスの素材としては何らかの金属(アルミ、真鍮等)が良いと思いますが、素材の範囲を広げてシリコンゴムなども含めて探してみましたが良いものが見つかりませんでした。
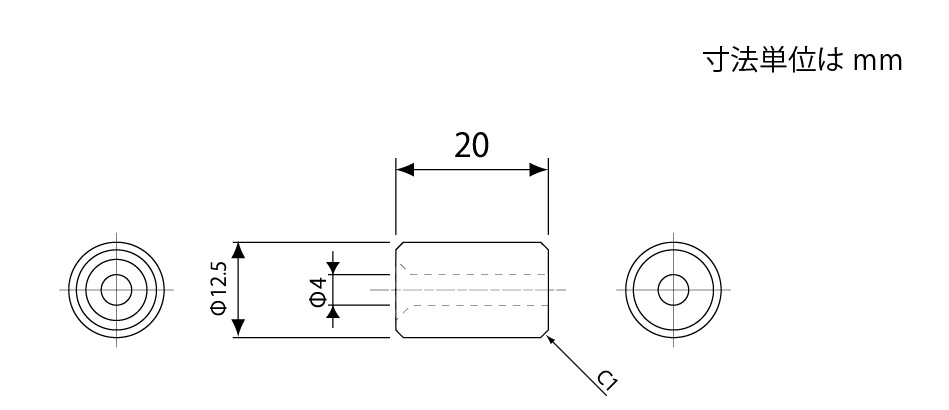
しかたがないのでネットでアルミ素材をワンオフ加工してくれる業者に図面を書いて見積もりを出してみることにしました。
面取り加工などは必要ないかもしれませんが、どうせ作るならばと思い上記の図面をメールで送り見積もり依頼をしてみると、ちょっとびっくりするような金額。
正直言うと内径を色々変更してテストしてみたいので頂いた見積もりではちょっと手が出せないのでアルミ削りだしのワンオフは諦めることに。
オリフィスの装備は諦めて、何か良いものが見つかったらなどと考えていた矢先、昨日、渋谷の東急ハンズで自分が書いた図面とほぼ同サイズの物を発見。(笑)
何に使うものなのかわかりませんが(笑)真鍮にメッキしてあり、東急ハンズの店員さんに外形と内径を計ってもらうと12.5mm/5mmとなんともジャストサイズな物なのでとりあえず1つ購入。(税込み520円でした)
内径が5mmあるので、後々内径を絞りたいならば1mm厚の5mmのアルミパイプを通せば3mmに制限できるかな?
どちらにしても13mmを5mm径に絞れるのでオリフィスとしての機能は十分果たしてくれると期待。そういえば昨日この部品を買うためにレジに並んでいるときに、偶然、萬田久子さんに遭遇しまいた。マネージャーらしき人と塗装用のスプレーを物色されていました。(声が似ているなーっとおもったらまさかのご本人でびっくり!)
話がそれましたが再度サイズ計測。
本体の長さは約18mm。横にも2つネジ穴がありますがホースに密着されるのでこの穴は無視。12.5mm内径のホース内部で回転しない長さなのでOKです。
外形は約13mm。ホースに押し込む感じで丁度よいサイズです。
ブローバイホースに挿入してみるとジャストフィットです。挿入したオリフィスがホース内部で移動しても問題はありませんが、一応オリフィスの前後を軽く縛る感じでストラップで固定しました。
装備して何か大きく変わることはないと思いますが、しばらく様子を見てみたいと思います。
以上、「ブローバイホースにオフィフェスの取付」でした。

